关注丨CNAS发布一认可文件,5月1日起实施
发布时间:2026年04月22日 浏览次数: 字体:【

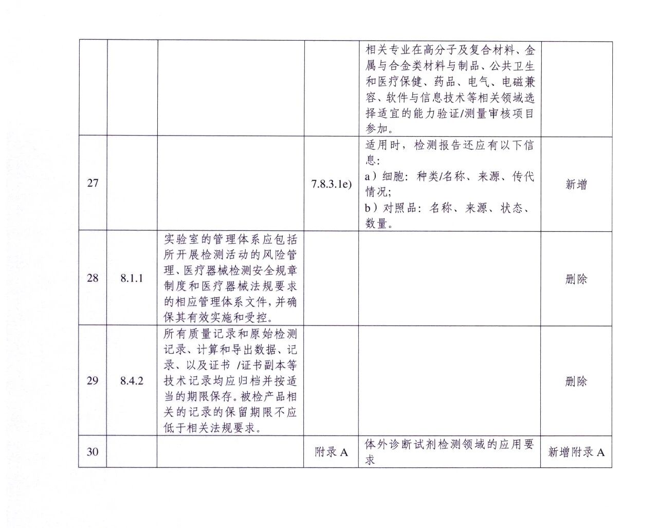
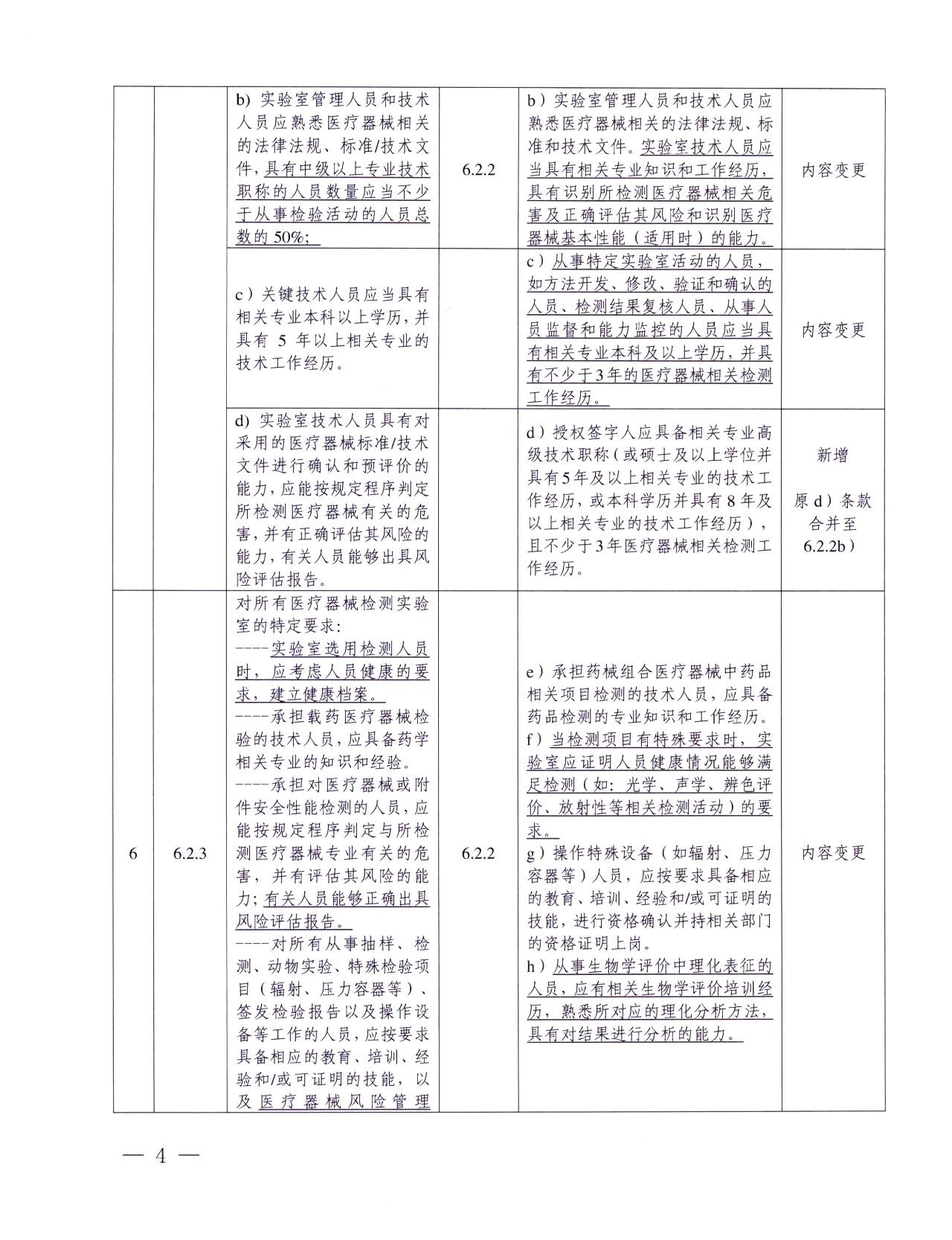
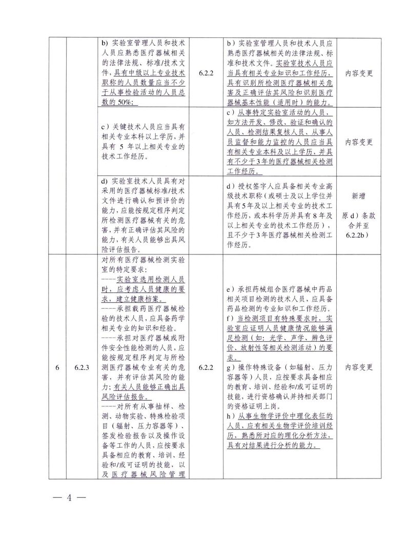
为进一步规范医疗器械检测实验室的认可活动,中国合格评定国家认可委员会(CNAS)秘书处组织修订并发布CNAS-CL01-A004:2026《检测和校准实验室能力认可准则在医疗器械检测领域的应用说明》,2026年5月1日实施。



点击查看CNAS-CL01-A004:2026《检测和校准实验室能力认可准则在医疗器械检测领域的应用说明》

附件:CNAS-CL01-A0042026《检测和校准实验室能力认可准则在医疗器械检测领域的应用说明》.pdf

责任编辑:质量与认证 信息来源:中国合格评定国家认可委员会、质量与认证

扫一扫在手机打开当前页